編輯:浙江億核閥門有限公司
日期:2022-06-25 訪問:2506

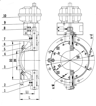
特點說明
本閥適用于電廠干灰系統倉泵進出料閥,也可用于礦山、化工等各類有磨損的干灰、水渣等介質的管道上作啟閉之用,使用公稱壓力1.0MPa,適應溫度≤150℃,氣源0.6—0.8MPa。
本閥密封面采用硅橡膠密封,為確保零泄漏和密封面與球面間的零磨損。啟閉閥門采用專用的電磁氣動控制。
本閥是世界上最高效,能頻繁啟閉的物料輸送閥。料口全流通無阻擋,有吹堵裝置,卡灰和積灰現象少,使用壽命長維護量小,結構緊湊安裝方便。


浙江億核閥門有限公司 |
|||||||||||||||||||||
|
|||||||||||||||||||||