編輯:軍康流體科技有限公司
日期:2021-05-27 訪問:2907
軍康電動套筒調節閥

電動套筒調節閥
一、電動套筒調節閥 概述
電動套筒調節閥是一種壓力平衡型調節閥,采用套筒導向,壓力平衡型雙密封面閥芯機構,配用多彈簧氣動執行機構或電動執行機構。流道呈S流線性,整體具有工作平衡、允許壓差大、流量特性精確、噪音低等特點。特別適用于流量大,閥前后壓差較大、泄露要求不搞的場合。本系列產品有常溫型、高溫型、低溫型、調節切斷型、波紋管密封型等多種形式。產品公稱壓力等級有PN1.6、4.0、6.4、10.0;閥體口徑范圍DN20-300,適用流體溫度-196-+560℃范圍內多種檔次。泄露等級有Ⅳ級、Ⅴ級、Ⅵ級。流量特性有直線、等百分比特性。多種品種規格可供選
二、電動套筒調節閥 主要零件材料及結構圖

三、電動套筒調節閥 主要技術參
四、電動套筒調節閥 電動執行機構
1、電動執行機構主要性能參數

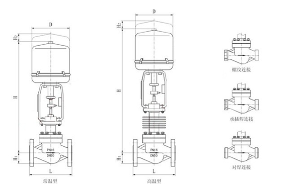
五、電動套筒調節閥 主要外型尺寸


軍康流體科技有限公司
經營范圍:氣動調節閥、電動調節閥、自力式壓力調節閥、自力式電控溫度調節閥、氣動球閥、氣動蝶閥、氣動閘閥、氣動截止閥、電動球閥、電動蝶閥、電動閘閥、電動截止閥等自控閥門系列產品
聯系地址:浙江溫州市永嘉縣甌北鎮東甌工業區
聯系電話:0577-67361555
聯系手機:13868611508
傳真:0577-67370155
公司官網:www.yjtjf.com
郵箱:1103600988@qq.com
軍康流體科技有限公司 |
|||||||||||||||||||||
|
|||||||||||||||||||||